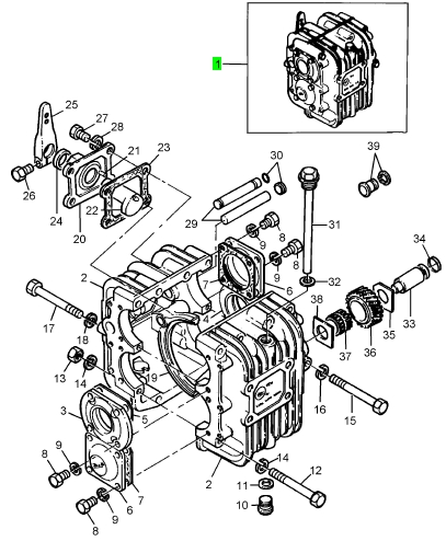
珀金斯Perkins2628 C007齒輪箱總成T4.20
項目 零配件號碼 最近的部分號碼
1 3713 C082 1 3713 C082 飛輪殼 17/01/1997
1 3713 C053 1 殼 31/08/93
1 3713 C081 1 飛輪殼 16/01/1997 01/09/93
2 2114 A048 2 2114 A048 合釘
3 2314 J010 2 2314 J010 螺旋 31/08/93
4 2318 A604 2 2318 A604 螺帽 31/08/93
5 2314 J004 6 2314 J004 螺旋 17/01/1997
5 2314 J004 8 2314 J004 螺旋 16/01/1997 01/09/93
6 3218 H007 1 3218 H007 螺旋
7 2628 C007 1 2628 C007 齒輪箱
8 2628 C054 1 2628 C054 板
9 2628 C052 1 2628 C052 板
10 2314 C044 2 2314 C044 固定螺釘
11 2131 A008 2 2131 A008 墊圈
12 2314 C044 4 2314 C044 固定螺釘
13 2134 A611 4 2134 A611 墊圈
14 2734 A054 1 2734 A054 裝備
15 2314 H002 3 2314 H002 螺旋 01/09/93
15 2314 H002 2 2314 H002 螺旋 31/08/93
16 2314 J002 1 2314 J002 螺旋 01/09/93
16 2314 J002 2 2314 J002 螺旋 31/08/93
17 2216711 6 2216711 圖釘
17 2215761 6 2215761 圖釘
18 0576054 6 0576054 螺帽
19 0920006 6 0920006 墊圈
20 2314 J007 2 2314 J007 螺旋 17/01/1997
21 2318 A604 2 2318 A604 螺帽 17/01/1997

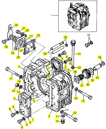
項目 零配件號碼 最近的部分號碼
1 3476 T001 1 3476 T001 水管
2 34821112 1 34821112 連接
3 2481886 1 2481886 夾
4 2481886 1 2481886 夾
5 1 水管
6 1 夾
7 1 夾
8 2628 C051 1 2628 C051 冷油器
9 3644 D002 1 3644 D002 托架
10 2314 H002 1 2314 H002 螺旋
11 2318 A603 1 2318 A603 螺帽

項目 零配件號碼 最近的部分號碼
1 2628 C007 1 2628 C007 齒輪箱

項目 零配件號碼 最近的部分號碼
2 1 殼
3 26278125 1 26278125 盾
4 26278125 1 26278125 盾
5 26278137 2 26278137 密封
6 26278126 2 26278126 蓋
7 26278137 2 26278137 密封
8 26278005 16 26278005 固定螺釘
9 26278004 16 26278004 墊圈
10 26278017 1 26278017 栓塞
11 26278076 1 26278076 圈
12 26278131 11 26278131 螺旋
13 26278019 11 26278019 螺帽
14 26278004 11 26278004 墊圈
15 26278131 2 26278131 螺旋
16 26278004 2 26278004 墊圈
17 26278131 1 26278131 螺旋
18 26278004 1 26278004 墊圈
19 26278128 1 26278128 叉
20 26278009 1 26278009 板
21 26278010 1 26278010 銷
22 26278011 1 26278011 電腦輔助制造
23 26278026 1 26278026 密合墊
24 26278008 1 26278008 密封
25 26278006 1 26278006 桿
26 26278007 1 26278007 固定螺釘
27 26278005 4 26278005 固定螺釘
28 26278004 4 26278004 墊圈
29 26278129 1 26278129 橋
30 26278014 1 26278014 栓塞
31 26278130 1 26278130 量油計
32 26278076 1 26278076 圈
33 26278133 1 26278133 橋
34 26278132 1 26278132 栓塞
35 26278134 1 26278134 板
36 26278135 1 26278135 傳動機構(gòu),齒輪箱
37 26278136 1 26278136 升降室
38 26278134 1 26278134 板

項目 零配件號碼 最近的部分號碼
1 2628 C007 1 2628 C007 齒輪箱

Item Parts No. Qty. Latest Part No. Description Cut Out Cut In Comment
2 26278138 1 26278138 RING
3 26278139 1 26278139 BEARING
4 26278139 1 26278139 BEARING
5 26278142 1 26278142 SHAFT 1.5R-28/21T
5 26278143 1 26278143 SHAFT 2 R-25/21T
5 26278144 1 26278144 SHAFT 3 R-19/18T
6 26278139 1 26278139 BEARING
7 26278139 1 26278139 BEARING
8 26278145 1 26278145 SHIM
9 26278146 1 26278146 SHIM
10 26278147 1 26278147 SHIM
11 26278148 1 26278148 SHIM
12 26278038 1 26278038 NUT
13 26278039 1 26278039 SPACER
14 26278145 1 26278145 SHIM
15 26278146 1 26278146 SHIM
16 26278147 1 26278147 SHIM
17 26278148 1 26278148 SHIM
18 26278140 1 26278140 BEARING
19 26278141 1 26278141 ROLLER BEARING
20 26278151 1 26278151 RING
21 26278152 1 26278152 GEAR,GEARBOX R 1.5-43T
21 26278153 1 26278153 GEAR,GEARBOX R 1.9-47T
21 26278154 1 26278154 GEAR,GEARBOX R 2.7-52T
22 26278044 1 26278044 NEEDLE BEARING
23 26278150 1 26278150 BUSH
24 26278155 1 26278155 SPACER
25 26278156 1 26278156 SPRING
26 26278156 1 26278156 SPRING
27 26278149 1 26278149 DISC
28 26278157 1 26278157 CIRCLIP
29 26278158 1 26278158 DISC
30 26278159 1 26278159 DISC
31 26278158 1 26278158 DISC
32 26278159 1 26278159 DISC
33 26278158 1 26278158 DISC
34 26278159 1 26278159 DISC
35 26278158 1 26278158 DISC
36 26278052 1 26278052 SHIM
37 26278053 1 26278053 SHIM
38 26278054 1 26278054 SHIM
39 26278055 1 26278055 SHIM
40 26278160 1 26278160 CARRIER
41 26278161 3 26278161 BALL
42 26278162 1 26278162 SLEEVE
43 26278163 1 26278163 SLEEVE
44 26278060 3 26278060 SPRING
45 26278061 3 26278061 PIN
46 26278062 3 26278062 PIN
47 26278052 1 26278052 SHIM
48 26278053 1 26278053 SHIM
49 26278054 1 26278054 SHIM
50 26278055 1 26278055 SHIM
51 26278161 3 26278161 BALL
52 26278160 1 26278160 CARRIER
53 26278063 3 26278063 SPRING
54 26278158 1 26278158 DISC
55 26278159 1 26278159 DISC
56 26278158 1 26278158 DISC
57 26278159 1 26278159 DISC
58 26278158 1 26278158 DISC
59 26278159 1 26278159 DISC
60 26278158 1 26278158 DISC
61 26278157 1 26278157 CIRCLIP
62 26278149 1 26278149 DISC
63 26278156 1 26278156 SPRING
64 26278156 1 26278156 SPRING
65 26278155 1 26278155 SPACER
66 26278150 1 26278150 BUSH
67 26278044 1 26278044 NEEDLE BEARING
68 26278164 1 26278164 GEAR R 2.7-49T
68 26278167 1 26278167 GEAR,GEARBOX R 2.1-44T
69 26278151 1 26278151 RING
70 26278141 1 26278141 ROLLER BEARING
71 26278140 1 26278140 BEARING
72 26278127 1 26278127 RING
73 26278137 1 26278137 SEAL
74 26278125 1 26278125 SHIELD
75 26278165 1 26278165 SHAFT
76 26278166 1 26278166 KEY

項目 零配件號碼 最近的部分號碼
1 3714 X012 1 3714 X012 板
2 K418FF01 1 K418FF01 后油封
3 L2712F02 2 L2712F02I 合釘
4 2314 J003 5 2314 J003 螺旋
5 2314 H003 3 2314 H003 螺旋
6 2314 W402 2 2314 W402 螺旋
7 2314 J612 1 2314 J612 螺旋
8 2318 A605 1 2318 A605 螺帽
9 L681TF02 1 L681TF02 密合墊
