珀金斯柴油機燃油噴油器-拆卸

注:在所有管組件上作識別標記,以便于安裝。塞住
所有塑料管組件和管組件。塞住管組件將防止油液流失及污染物進入系統(tǒng)。
1.把供油開關轉(zhuǎn)到關閉位置。
2.將蓄電池斷路開關轉(zhuǎn)到斷開位置。

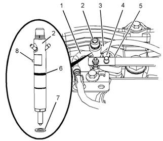
3從噴油器(2)上斷開軟管組件(1)和軟管組件(3)。
4使用工具(B)塞住噴油器(2)。
5使用工具(B)蓋住軟管組件(1)和軟管組件(3)。
6拆下螺栓(4)。從噴油器(2)上卸下卡箍(5)。
7使用工具(A)將噴油器(2)從缸蓋上拆下。從噴油器(2)上卸下O形密封圈(6)。
8卸下座墊圈(7)。
9如有必要,重復步驟3至步驟8,拆下其余的噴油器。
安裝步驟

2確保缸蓋的噴油器座和噴油器清潔且無損壞。
3將新的密封墊圈(7)安裝到噴油器座(2)上。
4將新的O形密封圈(6)安裝到噴油器(2)上。將卡箍(5)放置在噴油器(2)上。將噴油器(2)安裝到缸蓋中。
注:定位銷(8)必須在卡箍(5)對面。
5.安裝螺栓(4)并用手擰緊。
6.擰緊螺栓(4)至扭矩為27N·m(239lbin)。
7.拆下軟管組件(1)和(3)的螺塞。將蓋從噴油器(2)上拆下。
8.將軟管組件(1)和軟管組件(3)安裝到噴油器(2)上。
9.如有必要,重復步驟11至步驟7以安裝其余的噴油器。
10.將供油開關置于接通位置。
11.將蓄電池斷路開關轉(zhuǎn)到接通位置。